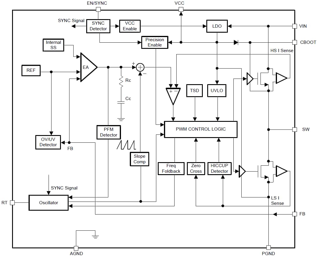
LMR23615 y LM23615 Q1 Convertidor Step Down de Texas Instruments
Estos convertidores para corriente de 1,5 V y tensión de hasta 36 V se pueden adquirir en Mouser Electronics. El rango de tensiones de entrada parte de 4,5 V y la corriente de shutdown es de sólo 2 uA. Sus aplicaciones incluyen el acondicionamiento de tensión para fuentes no reguladas, por ejemplo, en ambientes automotores.




