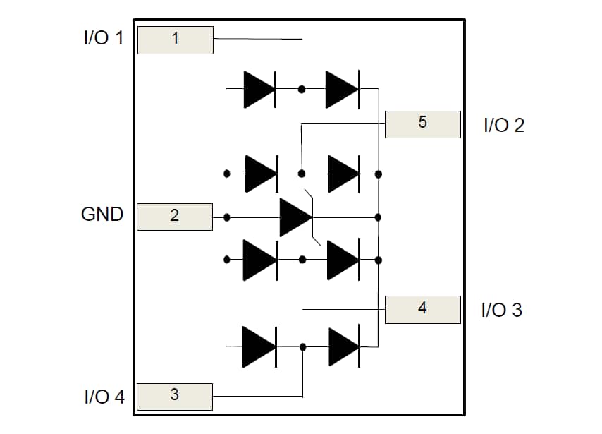
HSP053 4M5 Array ESD de 4 líneas de la STMicroelectronics
Mouser Electronics tiene en stock en los nuevos matrices (arrays) HSP053-4M5 para protección contra ESD de STMicroelectronics. Los nuevos componentes se destinan a la protección de HDMI 1.4, HDMI 2.0, USB 3.1, vídeo digital, puertos de pantalla y ATA serie. El componente es extremadamente compacto y tiene una banda de 18 GHz.




