MAX38800 y MAX38801 Reguladores Conmutados de Maxim
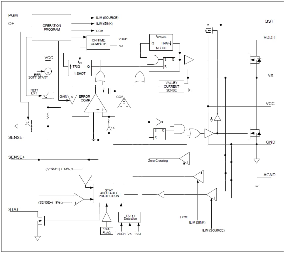
El Mouser Electrnics está ofreciendo esta solución de alta eficiencia de Maxim Integrated. Los componentes pueden operar con tensiones de 6,5 a 14 V y corrientes de 9 A y 15 A para los dos tipos. El rendimiento alcanza el 96% y la frecuencia de conmutación es de 1 MHz. La carcasa de 19 patillas mide sólo 2,2 x 2,8 mm.




