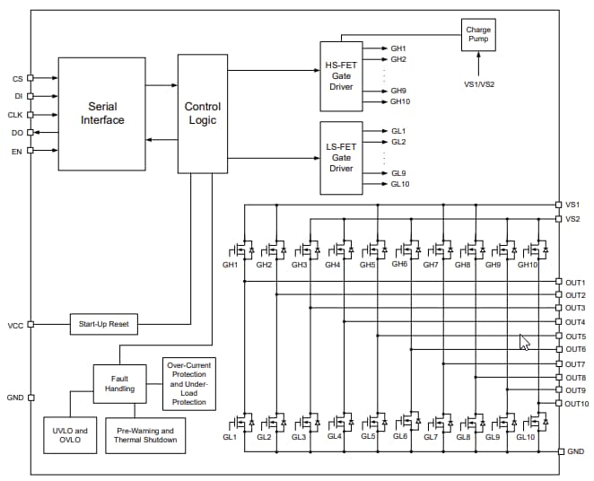
Los controladores de motor de medio puente MP6527 de Monolithic Power Systems (MPS) son controladores de salida DMOS de medio puente y diez canales con MOSFET de potencia integrados. Estos controladores de motor alcanzan hasta 0,8 A de corriente de salida (IOUT) en un amplio rango de tensión de entrada (VIN) de 5,5 V a 40 V. La interfaz de datos en serie estándar controla los diez medios puentes por separado, y cada medio puente viene con varias funciones de diagnóstico. Estos controladores cuentan con baja corriente de reposo (IQ) en modo de espera. Las funciones de protección completa incluyen protección contra cortocircuitos (SCP), protección contra sobrecalentamiento (OTP), protección contra baja tensión (UVLO), protección contra sobrevoltaje (OVLO) y apagado térmico con advertencia anticipada. Los controladores de motor MP6527 están disponibles en un gabinete TSSOP-28EP y requieren solo una cantidad mínima de componentes externos estándar fácilmente disponibles.




