AD917x Convertidores digitales para analógico de 16 bits de Analog Devices
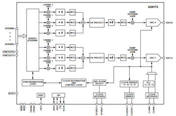
En stock en Mouser Electronics, los convertidores digital-a-analógico (DAC) AD917x de Analog Devices son dobles de alto rendimiento con una tasa de muestreo de hasta 12,6 GSPS. El dispositivo puede operar con señales hasta 1,8 GHz encontrando aplicaciones en infraestructura inalámbrica, estaciones base multi-banda, radares y otros equipos.




