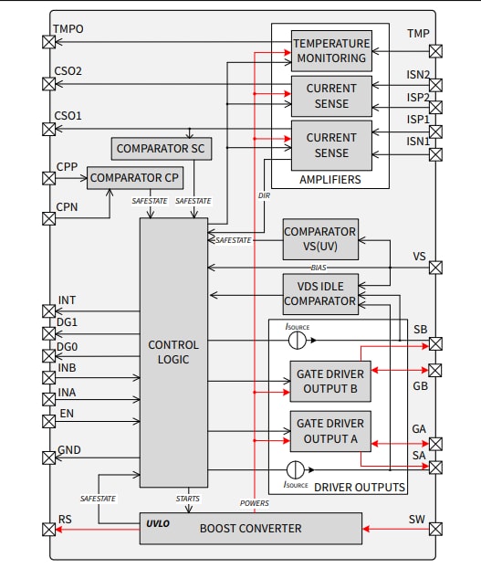
El controlador de compuerta MOSFET 2ED2410-EM de Infineon Technologies tiene dos salidas de compuerta independientes para aplicaciones automotrices de 12 V/24 V. Este controlador de puerta MOSFET 2ED2410-EM brinda protección para conectar/desconectar cargas o diferentes fuentes de alimentación. El convertidor elevador incorporado permite que los MOSFET externos permanezcan continuamente encendidos y también operativos en condiciones de arranque en frío de hasta 3V. El 2ED2410-EM tiene cuatro comparadores integrados y tres interfaces de medición analógica para fines de protección, lo que permite soluciones flexibles y versátiles para diversos requisitos arquitectónicos de E/E. Este controlador de puerto 2ED2410-EM cuenta con un dispositivo de canal con dos salidas de controlador de puerto de lado alto, protección ajustable contra sobrecorriente/cortocircuito y dos interfaces de detección de corriente analógica bidireccional de lado alto. El controlador de puerta 2ED2410-EM funciona en el rango de voltaje de entrada de 3 V a 58 V, retardo de propagación de encendido/apagado de 4 µs y -55 °C a 150 °C en el rango de temperatura de almacenamiento. La aplicación típica incluye un interruptor de conexión/aislamiento entre las fuentes de alimentación y admite un suministro y una distribución de energía fiables.




