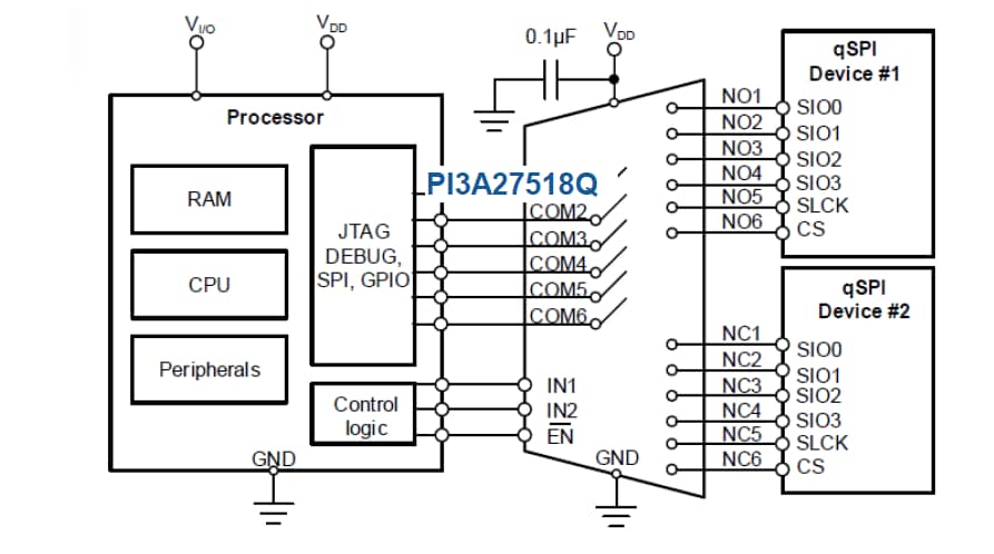
Diodes Incorporated PI3A27518Q 1:2 Multiplexor/Demultiplexor se puede configurar para conectarse con puertos NOx o NCx en 4 modos diferentes. El PI3A27518Q tiene un amplio rango de voltaje operativo con bajo consumo de energía y un paquete pequeño. El dispositivo se utiliza como interruptor analógico o como interruptor de bus de bajo retardo. El PI3A27518Q tiene una amplia tensión de alimentación operativa de 1,65 V a 3,6 V. El dispositivo tiene una resistencia de 5Ω a +3.3V. La conmutación Break-before-Make evita que ambos conmutadores se activen simultáneamente. Esto elimina la interrupción de la señal durante la conmutación.




