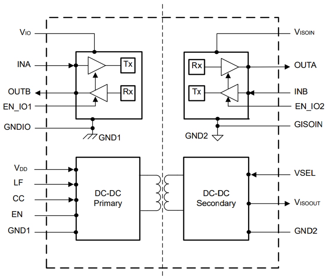
El aislador digital de dos canales ISOW7721 de Texas Instruments es un aislador digital aislado galvánicamente con un convertidor de potencia integrado de alta eficiencia y bajas emisiones. El convertidor CC-CC integrado proporciona hasta 550 mW de potencia aislada. Esta característica elimina la necesidad de una fuente de alimentación aislada separada en diseños de aislamiento con limitaciones de espacio. Si se requiere energía adicional, Texas Instruments ISOW7721 admite la conexión en cadena de varios dispositivos, lo que aumenta la salida de energía integrada a > 1 W con dos dispositivos en un sistema.




