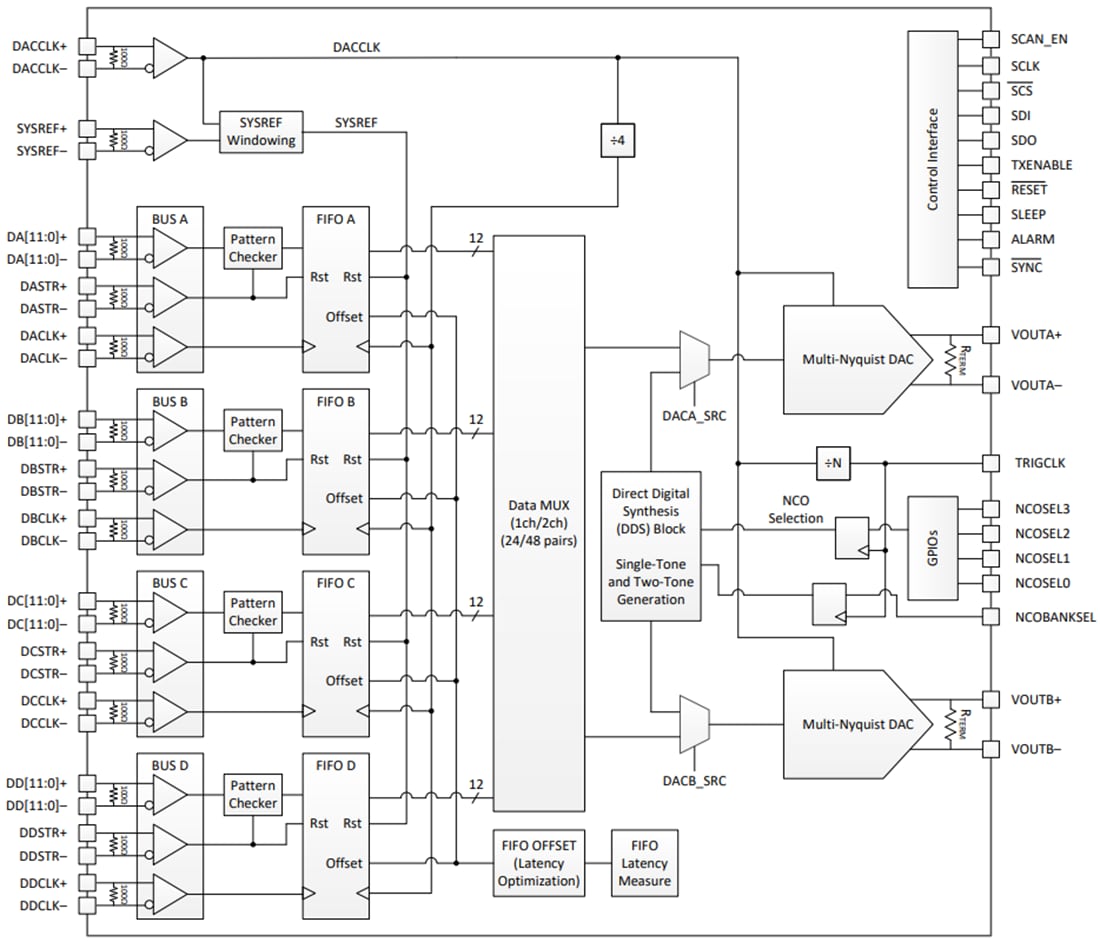
El convertidor de digital a analógico (DAC) de alta velocidad de 12 bits DAC12DL3200 de Texas Instruments es un DAC de muestreo de RF de latencia muy baja y dos canales. Este DAC es capaz de velocidades de entrada y salida de hasta 3,2 GSPS en modo de canal dual o 6,4 GSPS en modo de canal único.




