Con el uso cada vez mayor de tensiones muy bajas en las aplicaciones con baterías usando microcontroladores, muchos circuitos integrados tradicionales están evolucionando rumbo a versiones que sean compatibles con estos circuitos. Es el caso del viejo conocido 555 que sirve para todo, como shield para muchas aplicaciones microprocesadas e incluso independientes. En este artículo un poco acerca de estas nuevas versiones del 555.
Todos los que practican electrónica saben lo que un 555 puede hacer, bastando dar como ejemplo los miles de artículos y aplicaciones de este componente que tenemos en nuestro sitio e incluso en los diversos libros que escribimos sobre él.
En nuestro artículo sobre el 555 básico tradicional "El Circuito Integrado 555” ART804S) el lector podrá saber todo lo que desea sobre el funcionamiento de este componente.
Sin embargo, la versión tradicional bipolar, bastante antigua tiene características de consumo elevado y un rango de tensiones de alimentación de 4,5 V a 15 V proporcionando corrientes de salida de hasta 200 mA.
El paso siguiente en la evolución de este componente fue la versión CMOS que ya podía funcionar con tensiones de 2 y 18 V y presentaba un consumo mucho menor, con altísima impedancia de entrada.
Una característica importante de esta versión CMOS es la baja corriente de conmutación, muy importante cuando pensamos en proyectos alimentados por batería.
Conforme podemos ver por el gráfico de la figura 1, la verso bipolar tiene un pulso de consumo muy alto cuando conmuta, lo que puede ser difícil para una fuente con baterías soportar, lo que no ocurre con la versión CMOS.

Así, con el tiempo, el 555 se fue adaptando a los nuevos tipos de aplicación, ya que se trata de un excelente escudo para microcontroladores, por ejemplo en el condicionamiento de señales de entrada o aún en la salida para obtener características de accionamiento distintas a las que un producto microcontrolador puede proporcionar.
Al recorrer el catálogo de componentes de Mouser Electronics ( https://br.mouser.com/Semiconductors/Clock-Timer-ICs/_/N-4k35s?Keyword=555&FS=True encontramos decenas de versiones del 555 e incluso algunas que tiene características justamente contrarias a lo que analizamos en este artículo.
Encontramos versiones del 555 para altas tensiones, lo que puede ser interesante en las aplicaciones automotrices, como el BD9555VM-C de Rohm para alimentaciones de entrada hasta 42 V y señales de hasta 50 V!
A continuación, tratar de algunos de estos circuitos integrados 555 especiales para aplicaciones modernas alimentadas por baja tensión, incluyendo blindajes y presentando bajos consumos.
Nota: todos los encontrados en el catálogo de Mouser Electronics
MIC1555/1557 de Micrel
Esta versión del 555 de bajo consumo de Micrel puede operar con tensiones de 2,7 V a 18 V. También cuenta con el recurso del shutdown en el que se lleva a un consumo de menos de 1 uA.
En la figura 2 tenemos el envoltorio de estos componentes que puede todavía operar como oscilador en frecuencias hasta 5 MHz.

Con sólo un condensador y una resistencia, pueden generar signos cuadrados (50% de ciclo activo). En la figura 3 tenemos las configuraciones típicas para el MIC1555 y el MIC5557.

En el datasheet que se puede acceder en https://br.mouser.com/datasheet/2/268/mic1555-779051.pdf puede encontrarse otra información importante para el proyecto. También se resalta la baja resistencia de salida de menos de 15 ohmios.
Una aplicación como voltímetro sonoro se muestra en la figura 4.

TS555 de Micrel
Esta versión de baja potencia de Micrel puede funcionar con tensiones de 2 V a 16 V destacándose por la capacidad de operar como estable en frecuencias hasta 2,7 MHz.
El componente es tipo CMOS consumiendo sólo 110 uA (tip) con 5 V y 90 uA (tip) con 3 V. Los picos de corriente en la transición son reducidos.
La salida es compatible con la lógica TTL, CMOS y MOS.
En la figura 5 tenemos la envoltura y la pinza de este componente.

En el datasheet se puede encontrar mucha información para proyectos, incluyendo las características eléctricas, gráficos de rendimiento y circuitos de aplicación.
ICM7555 e ICM7556 de Intersil (Renesas)
Estos componentes, con el datasheet revisado en 2016, tienen como principal destaque los envoltorios DIL para montaje en matriz de contacto siendo la versión 555 simple y la 556 doble.
Los componentes son CMOS, presentando una corriente de consumo de 60 uA para la versión simple y 120 uA para la versión doble. La hoja de datos se puede tener acceso a: https://www.intersil.com/content/dam/Intersil/documents/icm7/icm7555-56.pdf
El rango de tensiones de alimentación va de 2 a 18 V y la frecuencia máxima de operación es de 1 MHz.
En la figura 6 tenemos los envoltorios.

El diagrama de bloques se muestra en la figura 7.

Las configuraciones para los circuitos astables y monoestable son las mismas de las versiones tradicionales.
BD9555FVM-C - Versión del 555 de alta tensión de la ROHM
Lo que diferencia este componente de las versiones tradicionales del 555 es su capacidad de operar con tensiones de entrada de 4.5 a 42 V épicos de 50V.
Estas características lo hacen ideal para aplicaciones automotrices, tanto como temporizador como oscilador, por ejemplo, en el control de módulos de LED.
En la figura 8 tenemos la disposición de los pines para este componente.

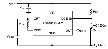
En la figura 9 tenemos un circuito típico de aplicación;

Conclusión
El circuito integrado 555 ha dejado de ser sólo un componente único de muchas utilidades para quien necesita aplicaciones en tiempo o condicionamiento de pulsos. El 555 hoy es una familia de tipos con características específicas que se adaptan a una infinidad de aplicaciones.
Del microcontrolador, pasando por las aplicaciones IoT y visibles, vamos hasta las aplicaciones en electrónica embarcada e industrial.
Esto significa que en la elección de su versión el proyectista debe estar atento a las características más importantes que el componente debe tener como, por ejemplo, tensión de alimentación, consumo, rango de frecuencias, disponibilidad de recursos adicionales como el shutdown, etc.
Al analizar los tipos disponibles en la página que hemos dado al principio del artículo, el lector puede contar con el acceso rápido a una infinidad de versiones del 555 que a cada día aumenta con el lanzamiento de nuevos productos.



