Si el lector tiene un auricular de baja impedancia (del tipo que se encuentra en muchos aparatos portátiles) sabe que no puede utilizarlos en muchos proyectos que requieren auriculares sensibles de alta impedancia, como radios experimentales, intercomunicadores, radios de galena o cristal, (En inglés).
La solución que presentamos en este artículo resuelve este problema, convirtiendo su auricular de baja impedancia en un auricular de alta impedancia con gran sensibilidad y amplificación.
Se trata de un simple circuito alimentado por dos pilas pequeñas que convierte el auricular de baja impedancia en un sensible auricular con 100 k ohms de impedancia de entrada. El circuito puede incluso ser utilizado como un sensible seguidor de señales.
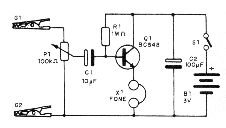
La baja corriente requerida por el circuito garantiza una excelente durabilidad para las pilas usadas en la alimentación. En la figura 1 tenemos el diagrama completo del amplificador para auricular.
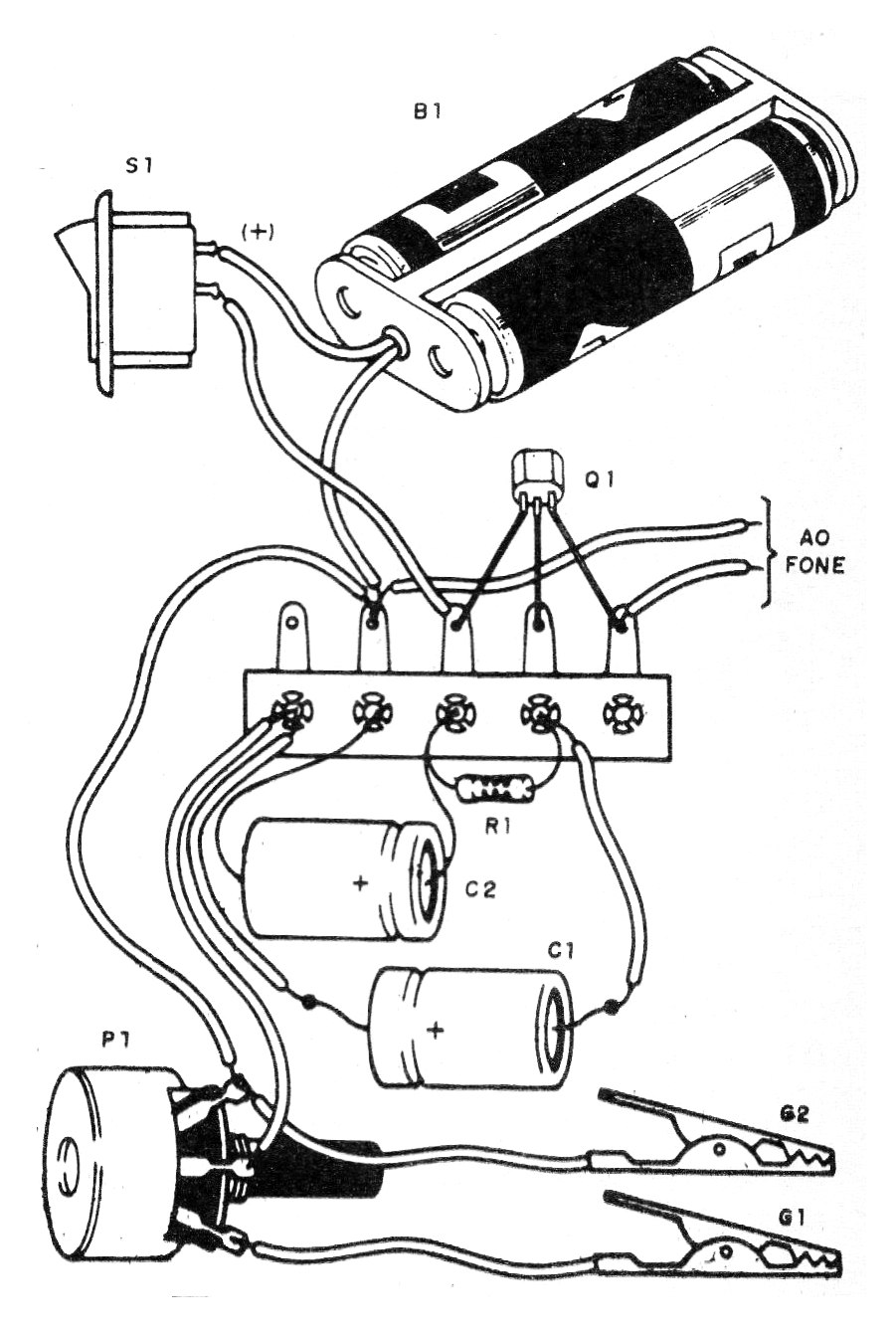
Como se utilizan pocos componentes, podemos hacer el montaje en un puente de terminales, como muestra la figura 2.
El jack debe ser de acuerdo con el enchufe del auricular que se va a utilizar. El transistor admite equivalentes. La conexión a la fuente de señal puede ser hecha por garras o por un cable con un enchufe.
Lista de material
Q1 - BC548 o equivalente-transistor NPN de uso general
R1- 1 M ohms x 1/8 W - resistor - marrón, negro, verde
C1- 10uF - capacitor electrolítico
C2- 100 uF - capacitor electrolítico
G1, G2- Garras jacaré
S1 - Interruptor simple
B1- 3 V- 2 pilas pequeñas
X1 - Auricular de 8 a 100 ohmios
Varios: puente de terminales, soporte de pilas, caja para montaje, hilos, soda, etc.





