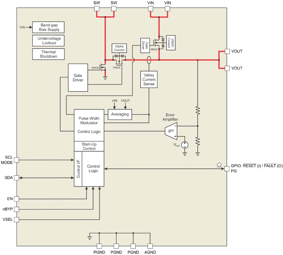
La Mouser Electronics distribuidor de Texas Instruments tiene stock de los convertidores boost sincronizados TPS6128xD para aplicaciones alimentadas por baterías de Li-Ion, Nícel-Rich, Silicon Anode y otras. El componente se puede utilizar en los teléfonos inteligentes y las tabletas, con una eficiencia del 95% en 2,3 MHz de frecuencia de operación. El rango de tensiones va de 2,3 a 4,8 V y la corriente de pico es de 4 A con 3,35 V de salida.




