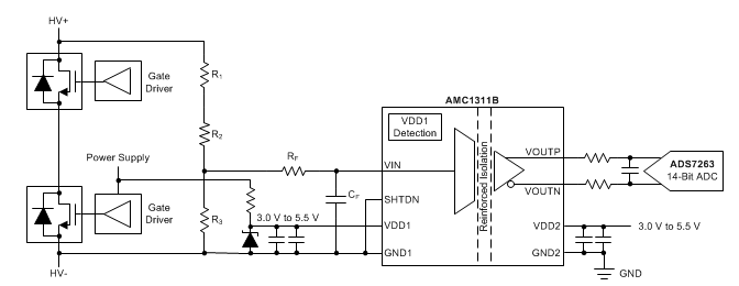
Texas Instruments está ofreciendo a través de Mouser Electronics los amplificadores de precisión aislados reforzados AMC1311 para la detección de tensión con una barrera de aislamiento resistente a la interferencia electromagnética. El aislamiento es de hasta 7 kV y el rango de tensiones de entrada es de 2 V con alta impedancia. El Mouser ofrece tarjeta de evaluación.

----------------



