AMC1106 Moduladores Aislados Básicos Delta Sigma Texas
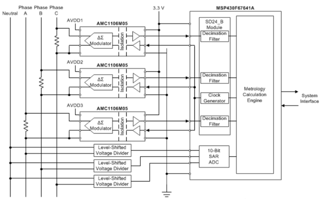
El modulador básico aislado Delta-Sigma AMC1106 de Texas Instruments se puede obtener en Mouser Electronics. Este componente incluye una entrada de +/- 50 mV e interfaz CMOS Manchester-Coded así como sistema de diagnóstico de fallas.

----------------



