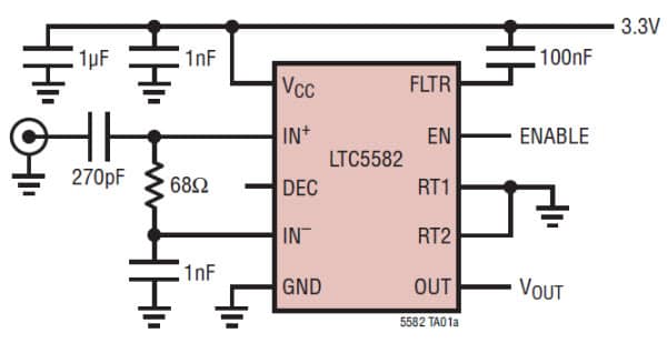
LTC55xx Detector de potencia
Mouser Electronics tiene en stock los LTC55xx, detector de potencia de alta frecuencia para valores RMS operando hasta la banda de microondas. La gama de los tipos disponibles va de 40 MHz a 40 GHz según los tipos disponibles.

----------------



