LTC3871 Controlador PolyPhase de Linear
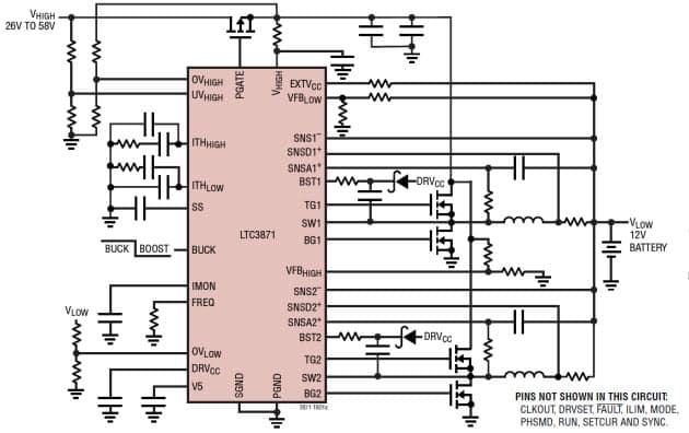
Linear Technology / Analog Devices está ofreciendo a través de Mouser Electronics el controlador PolyPhase LTC3871 para aplicaciones automáticas de 48V y 12 V y Sistemas de potencia. El circuito tiene una tensión alta hasta 100 V y hasta 30 V baja.

----------------



