LTC2873 Transceptores Multiprotocolos RS485 y RS232 de Linear
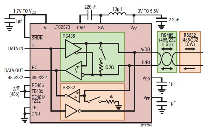
La Mouser Electronics tiene en stock el LTC2873, un transceptor multiprotocolo RS232 y RS485 con alimentación de 3 a 5 V. El dispositivo tiene velocidad de hasta 20 Mbps e interfaz lógica de 1,7 a 5,5 V.

----------------



