LT8630 Regulador Llave Silenciador de Linear
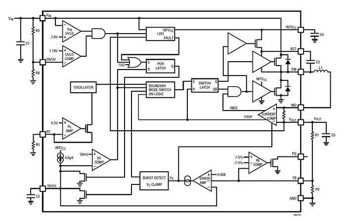
El LT8630 de Linear Technology (Analog Devices) suministrado por Mouser Electronics consiste en un regulador silencioso que funciona en el modo corriente PWM step-down en convertidores DC-DC. El componente es adecuado para sistemas industriales de 3 a 100 V y sistema de telecom.

----------------



