Serie TCR3UG de reguladores LDO de Toshiba
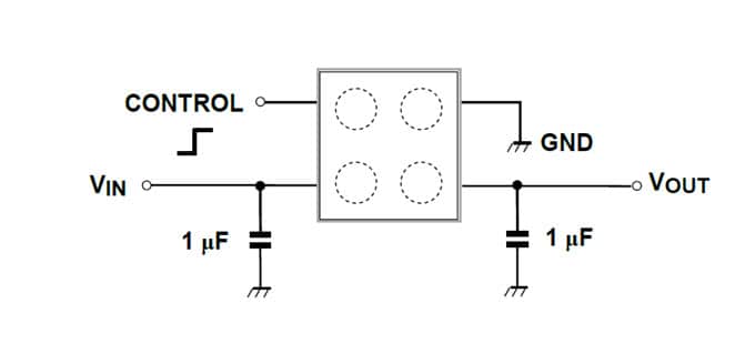
Los reguladores con baja caída de tensión (LDO) de la serie TCRUG de Toshiba se pueden encontrar en el Mouser Electronics. Con corrientes de 300 mA de salida, están disponibles con tensiones fijas de salida de 0,8 y 5,0 V y tienen una corriente quiescente de apenas 0,34 uA.




