AD9375 Transceptores Integrados de RF de banda ancha Analog Devices
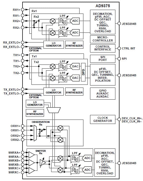
Estos componentes, disponibles en Mouser Electronics, están indicados para aplicaciones en 3G y 4G. El dispositivo contiene transmisores de dos canales y receptores, además de sintetizadores, y diversas otras funciones. El dispositivo opera entre 300 MHz y 6 000 MHz y tiene la función de linearización de la anchura de banda.

----------------



