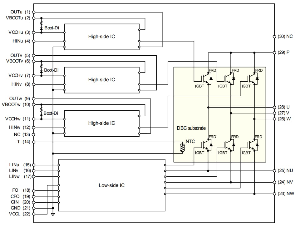
El IPM de alta potencia STGIK50CH65T SLLIMM de STMicroelectronics es un módulo moldeado inteligente de alta potencia y baja pérdida (SLLIMM). El IPM proporciona un variador de frecuencia de motor de CA compacto y de alto rendimiento con un diseño simple y robusto. Combina el control del controlador con robustos IGBT de parada de campo de 650 V para mejorar el cortocircuito, lo que resulta en un dispositivo ideal para unidades trifásicas.




