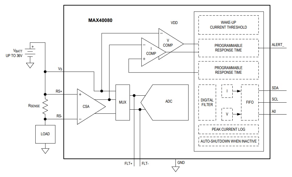
El amplificador de detección de corriente Maxim Integrated MAX40080 es un amplificador de detección de corriente bidireccional de respuesta rápida y alta precisión. El MAX40080 tiene una salida digital y un amplio rango de entrada de modo común de -0,1 V (sentido de tierra) a 36 V. El dispositivo presenta una tensión de cambio de entrada ultra bajo de 5 µV y un error de ganancia muy bajo de 0.2%. La baja tensión de desplazamiento de entrada permite el uso de una pequeña resistencia de detección, lo que ahorra la disipación de energía pero no compromete la precisión de la medición.




