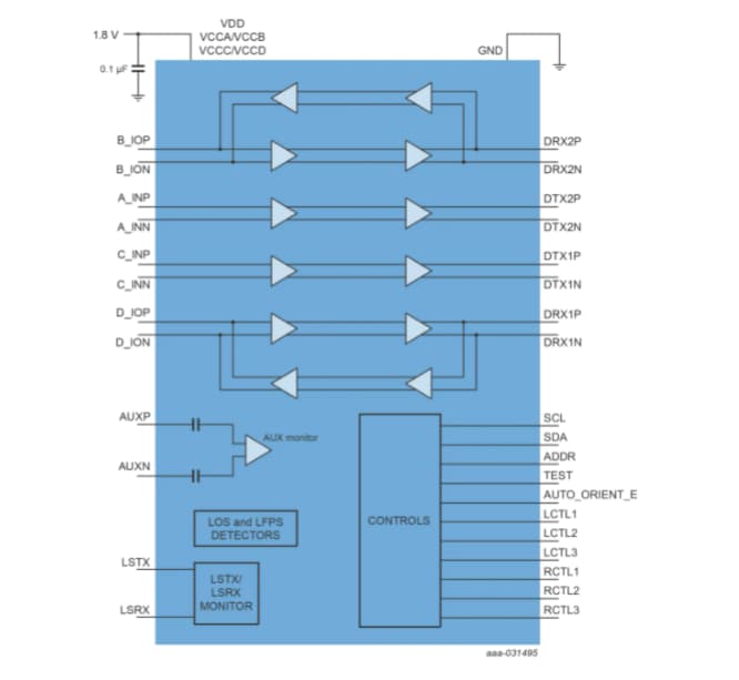
El NXP Semiconductors PTN38007 Multiprotocol USB4 20Gbps Linear Redriver está optimizado para los modos USB3.2, DisplayPort 1.4 y Thunderbolt3 Alt / aplicaciones USB4 en aplicaciones de puerta descendente (DFP) o de puerta ascendente (UFP). El PTN38007 tiene un monitor de seguimiento de señal de banda lateral para el modo DP (AUX) y el modo Thunderbolt3 / USB4 (LSTX / RX) para optimizar la configuración y reconocer los modos de ahorro de energía. El NXP PTN38007 USB4 Multi-Protocol 20 Gbps Linear Redriver ofrece ecualización lineal programable, control de linealidad de oscilación de salida con fijación de pines o control I2C para mejorar la integridad de la señal y permitir la extensión del canal al reducir la interferencia de símbolo a símbolo (ISI). El PTN38007 se utiliza normalmente entre el procesador y un temporizador frente a los puertos USB Type-C ™.




