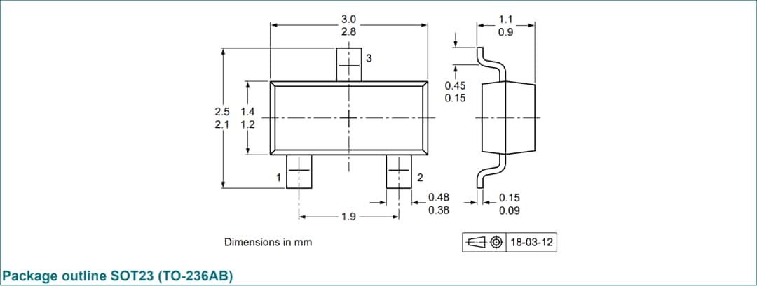
Los diodos reguladores de tensión Nexperia BZX8450-Q ofrecen una regulación de voltaje compacta para circuitos de alta densidad. Estos dispositivos de baja corriente operan en un amplio rango de tensión de 1.8V a 75.0V con una corriente directa máxima de 200mA. Los diodos BZX8450-Q se especifican a una corriente de prueba baja de 50 μA, lo que los hace ideales para aplicaciones portátiles de baja polarización alimentadas por batería. Los diodos reguladores de voltaje Nexperia BZX8450-Q se ofrecen en una carcasa de plástico compacta de 2,9 mm x 1,3 mm SOT23 (TO-236AB) para dispositivo de montaje en superficie (SMD). Estos dispositivos están calificados por AEC-Q101 para su uso en aplicaciones automotrices.




