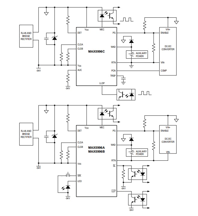
El dispositivo alimentado Maxim Integrated MAX5996 IEEE® 802.3bt cumple con el estándar IEEE 802.3af / at / bt en un sistema Power-Over-Ethernet (PoE) con una firma de detección, firma de clasificación y un interruptor de alimentación integrado con corriente de entrada al control. El MAX5996 limita la corriente a 135 mA durante el período de inicio y cambia a un límite de corriente más alto cuando el MOSFET de potencia está completamente mejorado. Los dispositivos cuentan con una clasificación de eventos múltiples, MPS inteligente, Autoclass y una entrada UVLO con amplio tiempo de histéresis y descongelamiento para garantizar una transición sin problemas durante el encendido / apagado. El MAX5996 admite una tensión máxima de 100 V en la entrada.




