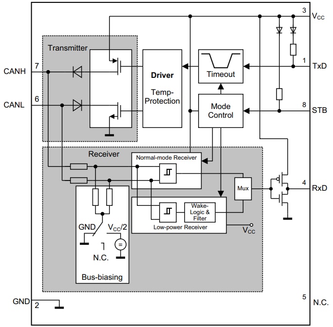
El transceptor CAN FD de alta velocidad TLE9351SJ de Infineon Technologies, disponible en Mouser, está diseñado para proteger el microcontrolador contra la interferencia generada dentro de la red. Este transceptor proporciona una emisión electromagnética (EME) de bajo nivel en un amplio rango de frecuencia basado en la alta simetría de las señales de salida CANH y CANL. El transceptor TLE9351SJ cumple con los estrictos límites de prueba de compatibilidad electromagnética (EMC) sin un circuito externo adicional, como un inductor de modo común. Este transceptor presenta una excelente robustez de ESD, protección contra sobrecalentamiento y modo de espera con corriente de reposo minimizada. La simetría optimizada del transmisor combinada con la simetría de retardo optimizada del receptor permite que el transceptor TLE9351SJ admita tramas de datos CAN FD. Este dispositivo admite velocidades de transmisión de datos de hasta 5 MBps, según el tamaño de la red y los efectos parásitos inherentes. El transceptor TLE9351SJ se usa idealmente en aplicaciones automotrices e industriales.




