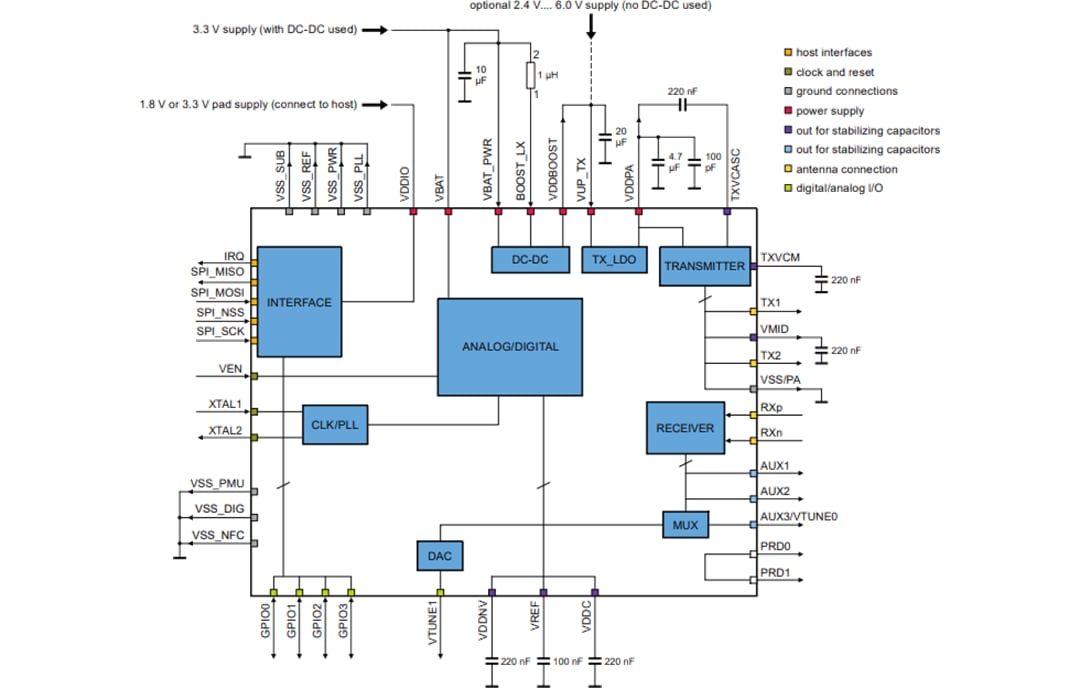
El NXP Semiconductors PN5190 NFC Frontend es un IC frontend compatible con el foro NFC (Near-Field Communication) altamente integrado para la comunicación inalámbrica a 13,56 MHz. Muy adecuado para su uso en entornos de RF desafiantes y con limitaciones de espacio, como terminales POS o e-Locks, el PN5190 presenta una alta potencia de salida de RF, capacidades de conformación de onda adaptativa y alta sensibilidad del receptor, mientras utiliza modos eficientes de ahorro de energía para extender la vida útil de la batería. La alta potencia de salida y la sensibilidad del receptor del PN5190 permiten un amplio rango de comunicación, incluso con una antena pequeña, lo que resulta en un alto rendimiento en proyectos con espacio limitado. El amplio rango de temperatura del dispositivo permite su funcionamiento en entornos industriales y al aire libre. La robusta interfaz de RF y las velocidades de datos de hasta 848 kbit / s satisfacen aún más las necesidades de los lectores de eGov y los escenarios de aplicación que dependen de una comunicación rápida entre dispositivos. Cuando se utiliza junto con dispositivos ISO / IEC 15693, el Frontend PN5190 proporciona lecturas de sensor rápidas o actualizaciones de firmware de hasta 212 kbit / s.




