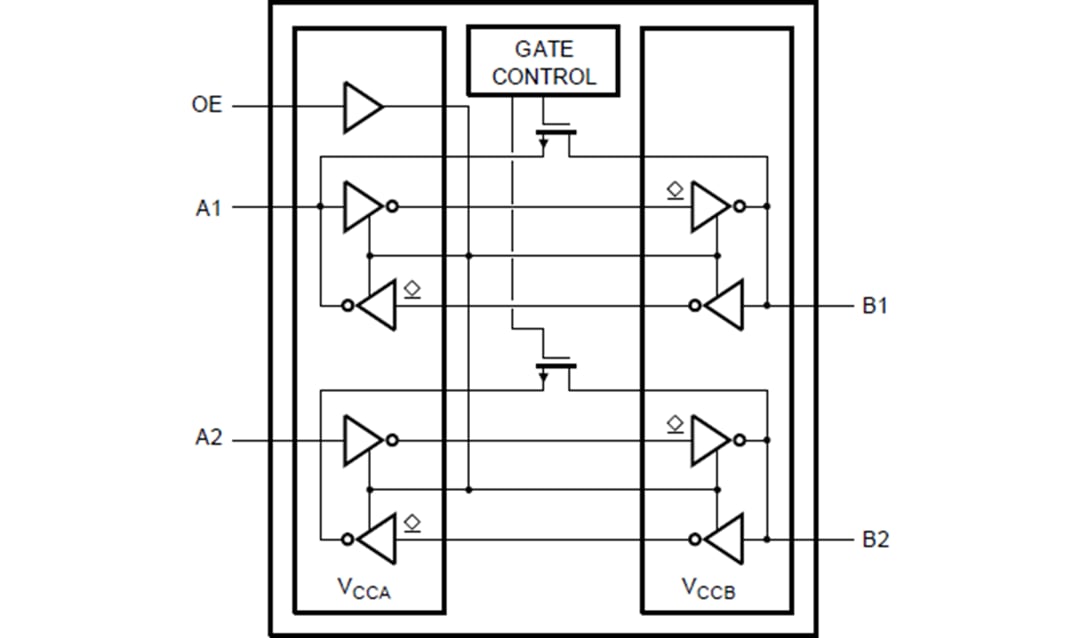
El traductor de nivel de tensión de 2 canales P3A9606 de NXP Semiconductors es un transceptor de traducción de alimentación dual de 2 bits con detección automática de detección. El P3A9606 está diseñado para permitir la conversión de nivel de voltaje bidireccional para aplicaciones de bus I2C / SMBus tradicionales y bus I3C de 12,5 MHz. Las aplicaciones SPI de alta velocidad también son compatibles cuando se utilizan dos dispositivos. El P3A9606 tiene dos puertas de entrada y salida de 1 bit (An y Bn), una entrada de habilitación de salida (OE) y dos pinos de alimentación (VCCA y VCCB). Tanto VCCA como VCCB se pueden suministrar a cualquier tensión entre 0,72 V y 1,98 V, lo que hace que el dispositivo sea adecuado para la conversión entre cualquiera de los nodos de baja tensión (0,8 V, 1,2 V y 1, 8 V). VCCA debe ser ≤ VCCB para garantizar un funcionamiento adecuado.




