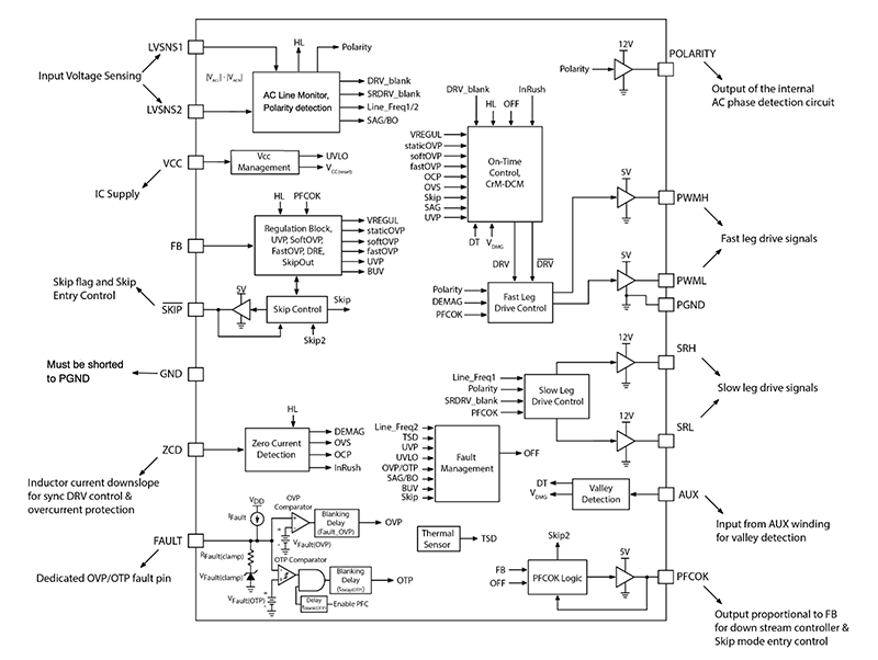
ON Semiconductor NCP1680 es un controlador de corrección de factor de potencia de tótem pole (PFC) IC en modo de conducción crítica (CrM) diseñado para funcionar en topología de tótem PFC sin puente. El tótem PFC tiene dos ramas: una rama de conmutación rápida que opera en la frecuencia de conmutación PWM y una segunda rama que opera en la frecuencia de línea de CA. Esta topología elimina el puente de diodos presente en la entrada de un circuito PFC convencional, lo que permite una mejora significativa en la eficiencia y la densidad de potencia.




