
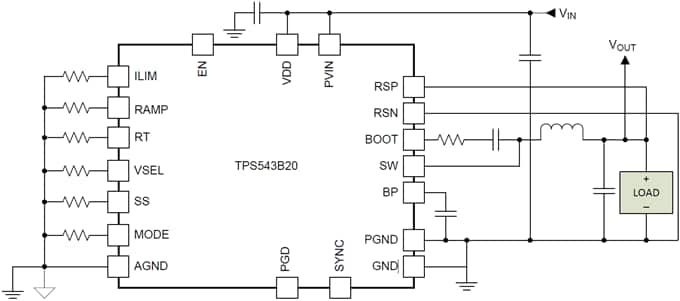
Los convertidores reductores de tensión SWIFT™ de Texas Instruments ya están disponibles en Mouser Electronics. Los convertidores tienen una frecuencia de conmutación programable entre 300 kHz y 2 MHz y operan con tensiones de entrada de 4 V a 19 V y tensiones de salida de 0,6 V a 5,5 V.



