
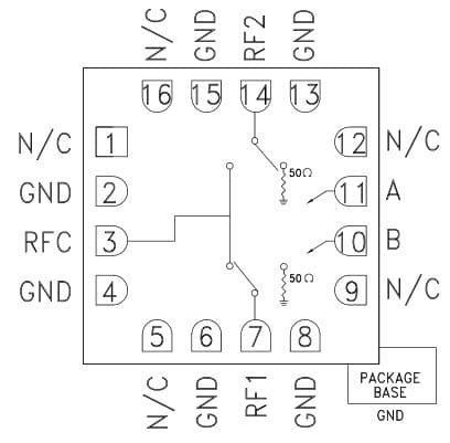
Se pueden adquirir en Mouser Electronics las llaves no reflectivas SPDT MMIC de GaAs de Analog Devices para frecuencias que van desde DC hasta 28 GHz. El componente tiene un aislamiento de 45 dB a 10 GHz y 39 dB a 20 GHz que se suministra en envoltura SMT 3 x 3 mm de 16 pines.



