
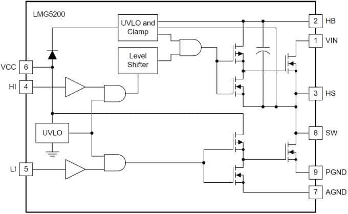
Este dispositivo, disponible en la Mouser Electronics, contiene dos MOSFET de Nitruro de Galio (GaN) de 80 V con una resistencia de conducción de sólo 15 mOhms. Operando con 80 V continuos o 100 V pulsante, puede aceptar frecuencias de conmutación de hasta 10 MHz.



