
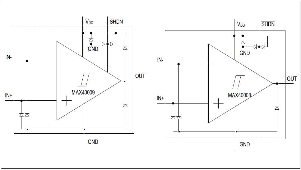
En la Mouser Electronics se pueden adquirir los comparadores de tensión MAX 40008 y MAX40009 de Maxim con función de shutdown. Los dispositivos operan con tensiones de 1,7 a 5,5 V y consumen sólo 12 uA. El tiempo de propagación alcanza 220 ns.

En la Mouser Electronics se pueden adquirir los comparadores de tensión MAX 40008 y MAX40009 de Maxim con función de shutdown. Los dispositivos operan con tensiones de 1,7 a 5,5 V y consumen sólo 12 uA. El tiempo de propagación alcanza 220 ns.