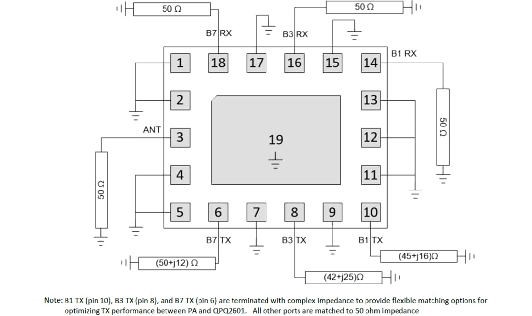
Disponible en Mouser Electronics, el multiplexor Qorvo QPQ2601 Band 1/3/7 es un módulo multiplexor compacto de alto rendimiento optimizado para permitir la agregación de portadoras de las bandas 1, 3 y 7 para LTE / NR. El QPQ2601 aprovecha sus propiedades de alto Q para garantizar una pérdida mínima de inserción de transmisión en todas las bandas que se multiplexan sin cargarse entre sí. Este dispositivo ha sido diseñado con un alto aislamiento cruzado, que es esencial para garantizar un buen rendimiento de recepción. El multiplexor Qorvo QPQ2601 utiliza una técnica única de empaquetado a nivel de oblea (WLP) para permitir una huella compacta de 2,6 mm x 3,2 mm x 0,8 mm.




