
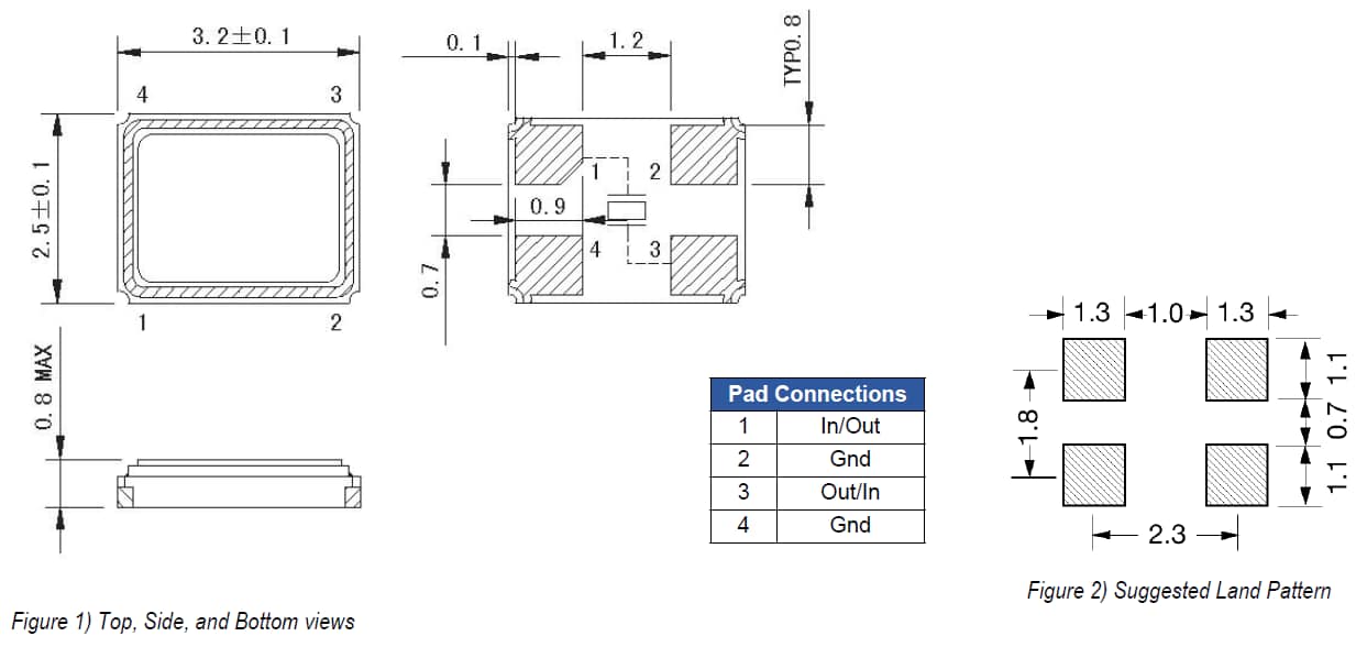
Junio de 2017 - Ya se pueden obtener en la Mouser Electronics los cristales de cuarzo SMD de la serie ECX032 de ECS Inc. Los nuevos cristales están disponibles en frecuencias de 12 a 60 MHz siendo indicados para aplicaciones en IoT, Dispositivos Móviles, Electrónica Digital, Electrónica industrial E inalámbrico.



