
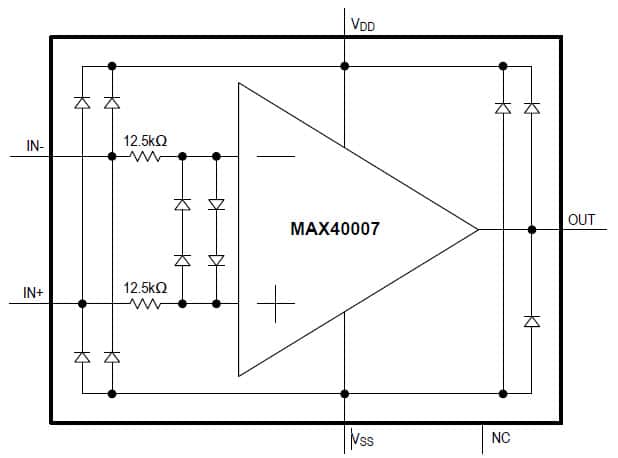
Abril de 2017 - Mouser Electronics ya tiene en su inventario el MAX4007 de Maxim Integrated, un amplificador operacional que funciona con tensiones de 1,7 a 5,5 V y consume sólo 700 nA. El nuevo componente es adecuado para aplicaciones alimentadas por batería.



