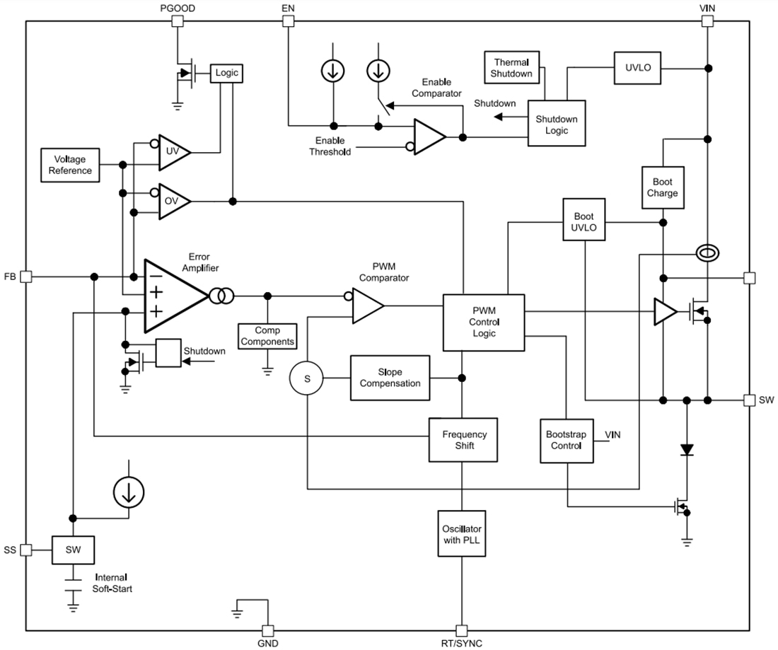
Texas Instruments Regulador reductor de 60V x 3 A LV14360
Texas Instrruments pone a disposición a través de Mouser Electronics este regulador que puede operar con tensiones de entrada de 4.3V a 60V presentando una corriente de reposo de solo 300 uA. El dispositivo tiene un MOSFET de lado alto de 155 mOhms. La frecuencia de funcionamiento varía de 200 kHz a 2 MHz.




