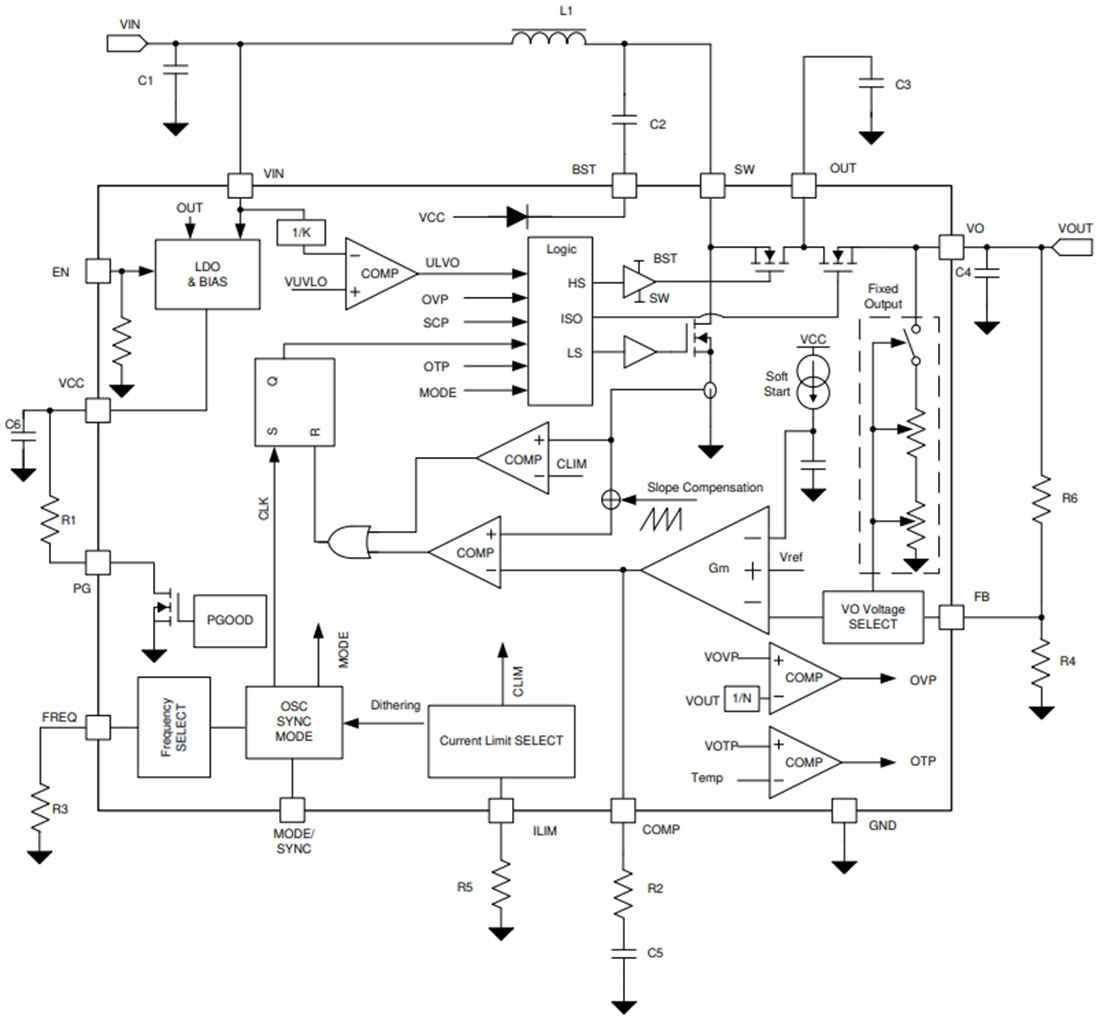
Texas Instruments Convertidor de impulso sincronizado TPS61378 Q1
Disponibles a través de Mouser Electronics, estos convertidores pueden funcionar con tensiones de entrada de 2,3 a 14 V y salidas máximas de hasta 18,5 V. La corriente se puede programar entre 1A y 4.8A. La frecuencia de conmutación se puede programar entre 200 kHz y 2,2 MHz.




