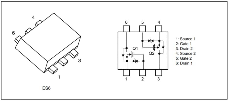
SSM6L56FE MOSFET de canal P y N de Toshiba
Mouser Electronics anuncia la disponibilidad del MOSFET de canal N y P de Toshiba que contiene una unidad de 1,5 V. Los dispositivos para corrientes de hasta 800 mA tienen una baja resistencia conductiva.



