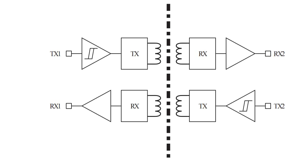
Aisladores digitales de dos canales STISO621 de STMicroelectronics
Mouser Electronics indica la disponibilidad de estos aisladores de dos canales para una velocidad de datos de hasta 100 Mbps. Las tensiones de alimentación oscilan entre 3 V y 5,5 V y el consumo es muy bajo.




