MAX77960 - Cargadores Buck Boost USB
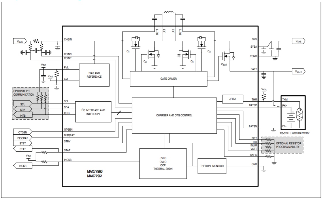
Disponible por Mouser Electronics, el cargador boost-boost MAX77960 de Maxim puede operar con tensiones de entrada de 3.5 a 24.5 V y tener una eficiencia que alcanza el 97%. La corriente varía de 100 mA a 3,15 A y el funcionamiento se produce a una frecuencia de 600 kHz.



