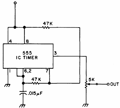
Este circuito genera una señal de aproximadamente 1 kHz para la calibración de equipos de audio y líneas de comunicaciones. El circuito puede ser alimentado por tensiones de 5 a 12 V.

Este circuito genera una señal de aproximadamente 1 kHz para la calibración de equipos de audio y líneas de comunicaciones. El circuito puede ser alimentado por tensiones de 5 a 12 V.
