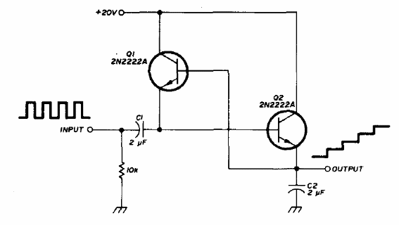
Este circuito fue obtenido en una documentación de 1974. El circuito genera una señal en escalera con tiempos que pueden llegar a 60 minutos, dependiendo del ajuste del potenciómetro de 2,5 M (2M2). El circuito debe ser alimentado por 5 V, generando una escalera de 10 escalones.




