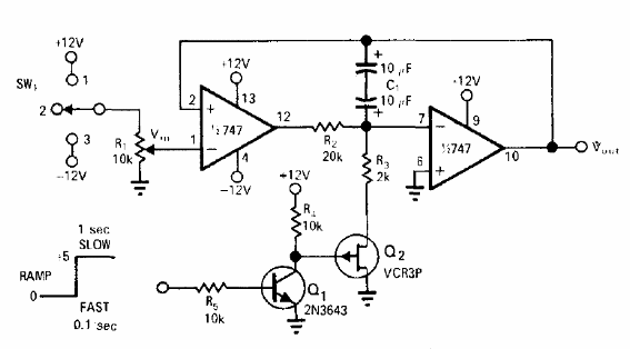
Este circuito es de una documentación de 1971. Genera una rampa dada por la señal de entrada. El FET puede ser el BF245 y el bipolar el 2N2222. El 747 consiste en un doble operativo similar a los 741.

Este circuito es de una documentación de 1971. Genera una rampa dada por la señal de entrada. El FET puede ser el BF245 y el bipolar el 2N2222. El 747 consiste en un doble operativo similar a los 741.
