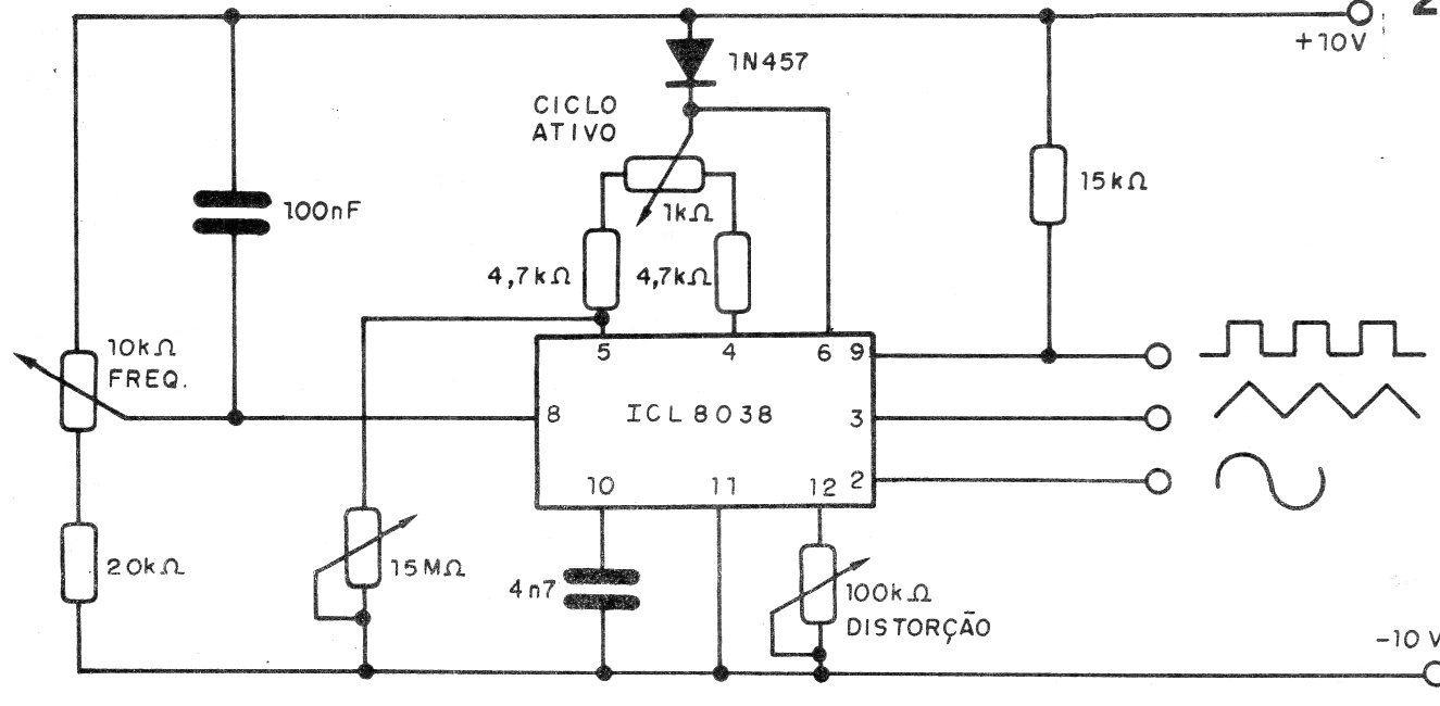
Esta es la configuración básica de un generador de funciones con el circuito integrado 8038 (poco común hoy). El circuito fue encontrado en una documentación de 1992 pudiendo proporcionar señales de 3 formas de onda hasta 20 kHz. El circuito se alimenta con 12 V y tiene ajustes de simetría.




