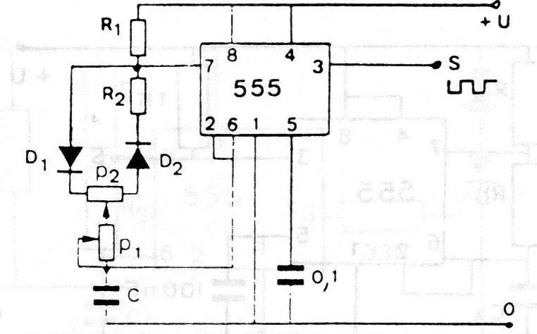
El rango de frecuencias de este generador depende de C que puede tener valores entre 1 nF y 1 uF. El potenciómetro P1 es de 10k y P2 de 1M. Los diodos pueden ser 1N4148 y R1 / R2 de 10 k ohms. La alimentación se puede realizar con tensiones de 5 a 15 V.




