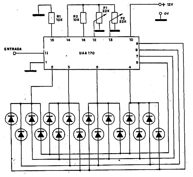
Esta es una escala de punto móvil (un LED enciende solamente en cada instante, según la tensión de entrada). con 16 LEDs. usando el integrado µAA170. Los limites de tensión en la entrada con 10 k de impedancia, aproximadamente, se lijan por P1 y P2 quedando entre 0 V y un poco debajo de la tensión de alimentación que es de 12 V. Los LEDs pueden ser de colores diferentes.




