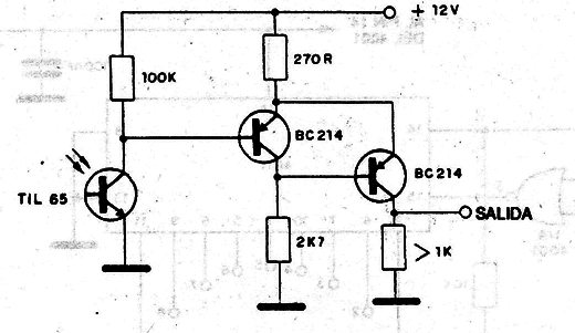
Este disparador usa dos transistores PNP y es sugerido por Texas Instruments. Con la incidencia de luz en el fototransistor, el primer transistor conduce la corriente haciendo que el segundo sea llevado al corte. La tensión en la salida en estas condiciones cae a un valor mínimo en una transición bastante rápida.




