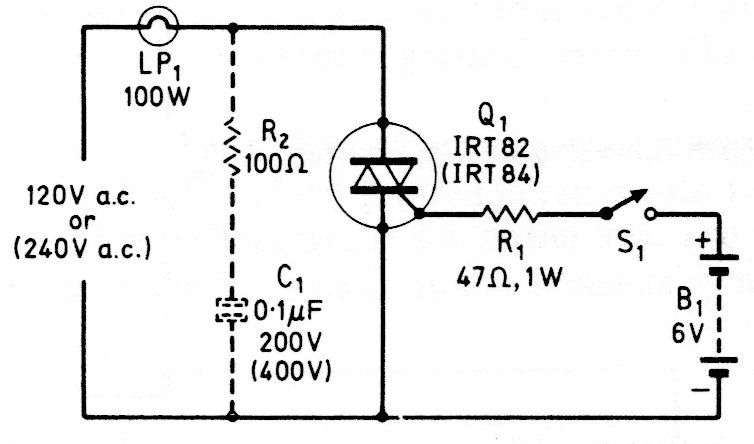
Ya utilizamos esta configuración en otras aplicaciones de este sitio. En este circuito tenemos el modo de hacer el disparo de un triac común con una fuente continua de baja tensión. La corriente de disparo es baja, lo que posibilita el uso para S1 de sensores o interruptores de baja corriente.




