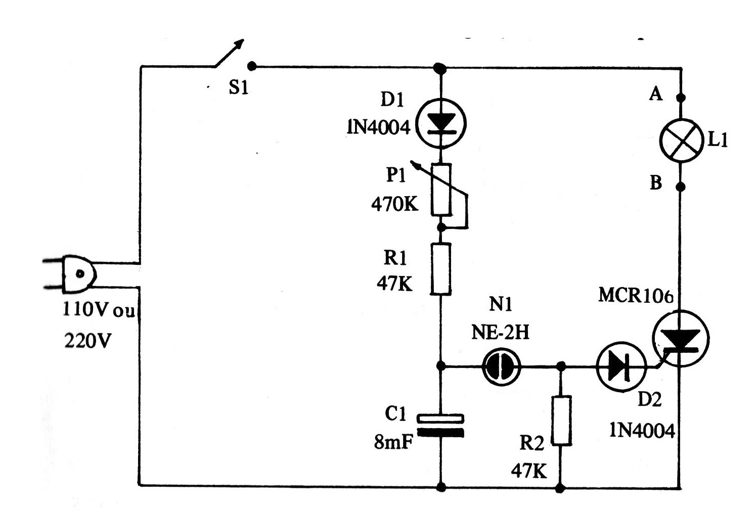
Este circuito sólo funciona con lámparas incandescentes. La frecuencia se ajusta en el potenciómetro y C1 puede tener valores entre 4 y 16 uF típicamente. El SCR debe estar dotado de un disipador de calor.
Este receptor puede captar las estaciones de FM locales y en el rango de VHF aviones, servicios...
Si usted necesita tensiones de 1 a 12 V con corriente hasta 1 A a partir de una fuente de tensión...
Este oscilador experimental produce señales en el rango de ondas medias (OM) entre 550 kHz y 1600...